JQ280-2+2, Четырехкулачковый Специальный патрон для станка лазерной резки
Код: P212
Наименование
JQ280-2+2, Четырехкулачковый Специальный патрон для станка лазерной резки
Код товара
P212
Тип патрона
Специальный патрон для станка лазерной резки
Описание патрона
Большое сквозное отверстие, пневматический зажим, с четырьмя кулачками двойного действия. Кулачки имеют самоцентрирующуюся функцию
Предназначение патрона
Может зажимать круглые трубы, квадратные трубы, прямоугольные, овальные трубы, все виды профилей различной формы.
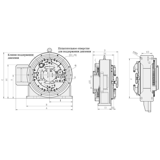
Момент инерции, кг*м2
10,52
Вес патрона, кг
450
А, мм
855
B, мм
650
C, мм
755
D, мм
354
F, мм
560
G, мм
36
H, мм
385
I, мм
325
J, мм
189x3
K макс., мм
35
M, мм
M12
Е1, мм
188
D1, мм
294
H1, мм
530
S, мм
9
X, мм
280
E2, мм
33,5
E3, мм
146
H2, мм
251
M1, мм
12/H7
Количество кулачков
4










