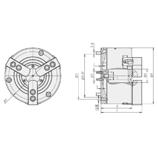
KB10-3, Трехкулачковый Пневматический патрон с наполовину сквозным отверстием
Код: P030
Наименование
KB10-3, Трехкулачковый Пневматический патрон с наполовину сквозным отверстием
Код товара
P030
Тип патрона
Пневматический патрон с наполовину сквозным отверстием
Описание патрона
Центр патрона представляет собой нополовину сквозное отверстие. Патрон может использоваться для обработки деталей с длинными валами
Предназначение патрона
Применяется для всех видов токарных станков с ЧПУ
Количество кулачков
3
Ход кулачка (диаметр), мм
6
Максимальная частота вращения, об/мин
3000
Максимальная статическая сила зажима, кН, кгс
69 (7043)
Максимальная статическая сила удержания, кН, кгс
82 (8400)
Диапазон зажима, мм
10-260
Диапазон удержания, мм
30-280
Максимальное допустимое давление, Мпа, см2
0,4-0,8
Вес патрона, кг
46
А, мм
256
B, мм
206
C, мм
230
D, мм
226
E, мм
45
F, мм
170
G, мм
127
H, мм
5
I, мм
5
J, мм
91,5
K макс., мм
70
L, мм
3-M12
M, мм
3-M12x120
N макс., мм
M12










